Осушители настенного типа, для монтажа в отдельном помещении DANTHERM
|
Большие изображения
Конструктивные особенности:
Корпус из горячеоцинкованной стали с дополнительным наружным и внутренним эмалевым покрытием.
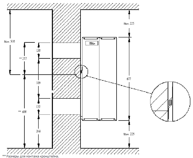
Настенный монтаж с помощью кронштейна, входящего в комплект поставки.
Сливное отверстие, расположенное внизу осушителя. Дренажный патрубок для подсоединения водяного шланга диаметром 1/2″.
Роторный компрессор.
Радиальный вентилятор.
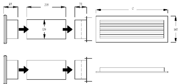
Воздуховод в комплекте с фильтром и алюминиевыми решетками для стен толщиной от 70 до 350 мм (опция для установки в отдельном техническом помещении).
Система управления:
Автоматическое поддержание требуемого уровня влажности (стандартная уставка ~60% RH) обеспечивается с помощью встроенного гигростата. Если предполагается частая переустановка заданного уровня влажности, рекомендуется подключение к агрегату внешнего комнатного гигростата.
Посредством светоиндикации на дисплее панели управления отображаются следующие функциональные состояния:
В систему управления осушителя входит пассивное и активное устройство защиты от обмерзания. После регистрации датчиком испарителя начала обледенения испарителя происходит автоматическая остановка компрессора, вентилятор направляет поток теплого комнатного воздуха на испаритель, в результате образовавшийся лед тает. По окончании режима оттайки компрессор автоматически включается.
Технические характеристики:
.png)
.jpg)
Габаритные размеры
.jpg)
.png)
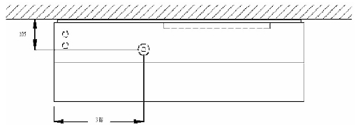
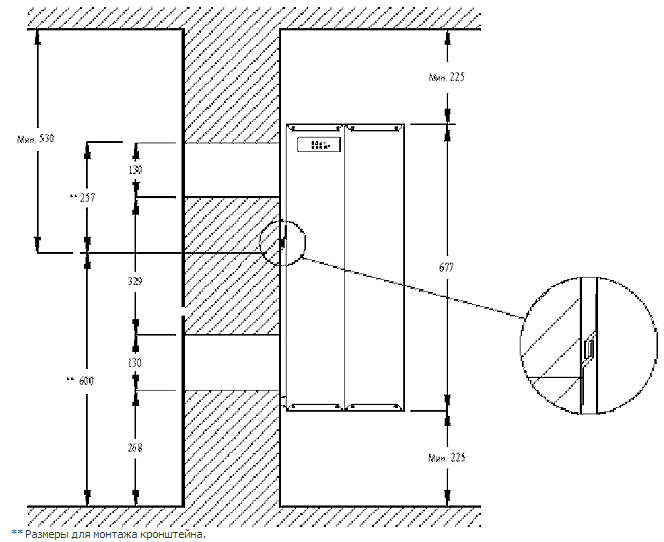
Расположение сливного отверстия
.png)
.png)
.png)
.png)
Конструктивные особенности:
Корпус из горячеоцинкованной стали с дополнительным наружным и внутренним эмалевым покрытием.
Настенный монтаж с помощью кронштейна, входящего в комплект поставки.
Сливное отверстие, расположенное внизу осушителя. Дренажный патрубок для подсоединения водяного шланга диаметром 1/2″.
Роторный компрессор.
Радиальный вентилятор.
Воздуховод в комплекте с фильтром и алюминиевыми решетками для стен толщиной от 70 до 350 мм (опция для установки в отдельном техническом помещении).
Система управления:
Автоматическое поддержание требуемого уровня влажности (стандартная уставка ~60% RH) обеспечивается с помощью встроенного гигростата. Если предполагается частая переустановка заданного уровня влажности, рекомендуется подключение к агрегату внешнего комнатного гигростата.
Посредством светоиндикации на дисплее панели управления отображаются следующие функциональные состояния:
В систему управления осушителя входит пассивное и активное устройство защиты от обмерзания. После регистрации датчиком испарителя начала обледенения испарителя происходит автоматическая остановка компрессора, вентилятор направляет поток теплого комнатного воздуха на испаритель, в результате образовавшийся лед тает. По окончании режима оттайки компрессор автоматически включается.
Технические характеристики:
.png)
.jpg)
Габаритные размеры
.jpg)
.png)
Расположение сливного отверстия
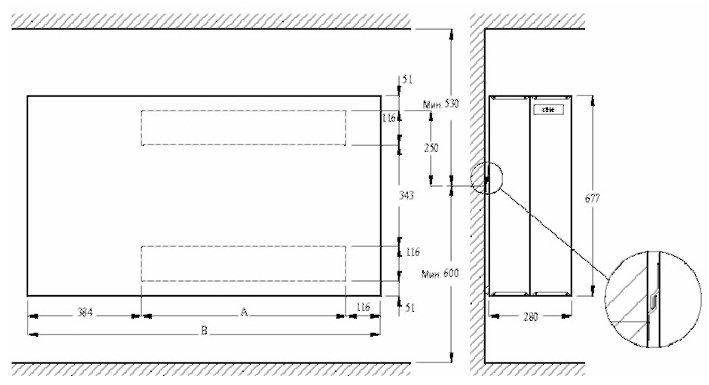
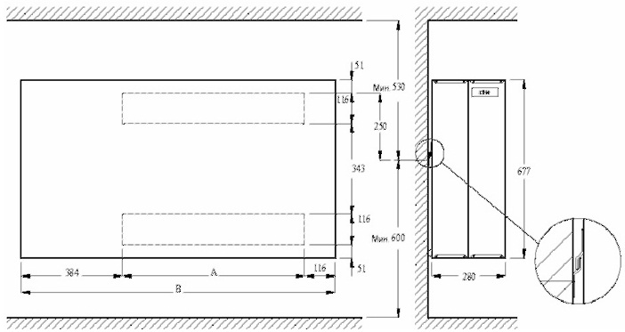
Рекомендуемое размещение осушителя CDF 45Т
.png)
.png)
.png)
Конструктивные особенности:
Корпус из горячеоцинкованной стали с дополнительным наружным и внутренним эмалевым покрытием.
Настенный монтаж с помощью кронштейна, входящего в комплект поставки.
Сливное отверстие, расположенное внизу осушителя. Дренажный патрубок для подсоединения водяного шланга диаметром 1/2″.
Роторный компрессор.
Радиальный вентилятор.
Воздуховод в комплекте с фильтром и алюминиевыми решетками для стен толщиной от 70 до 350 мм (опция для установки в отдельном техническом помещении).
Система управления:
Автоматическое поддержание требуемого уровня влажности (стандартная уставка ~60% RH) обеспечивается с помощью встроенного гигростата. Если предполагается частая переустановка заданного уровня влажности, рекомендуется подключение к агрегату внешнего комнатного гигростата.
Посредством светоиндикации на дисплее панели управления отображаются следующие функциональные состояния:
В систему управления осушителя входит пассивное и активное устройство защиты от обмерзания. После регистрации датчиком испарителя начала обледенения испарителя происходит автоматическая остановка компрессора, вентилятор направляет поток теплого комнатного воздуха на испаритель, в результате образовавшийся лед тает. По окончании режима оттайки компрессор автоматически включается.
Технические характеристики:
.png)
.jpg)
Габаритные размеры
.jpg)
.png)
Расположение сливного отверстия
.png)
Рекомендуемое размещение осушителя CDF 45Т
.png)
.png)
.png)
| Параметры электропитания | 1x230В |
| Условия эксплуатации | 10-36°C / 40-100% |
| Макс. влагосъемкость (л/сут) (30C/80%RH) | 50 |