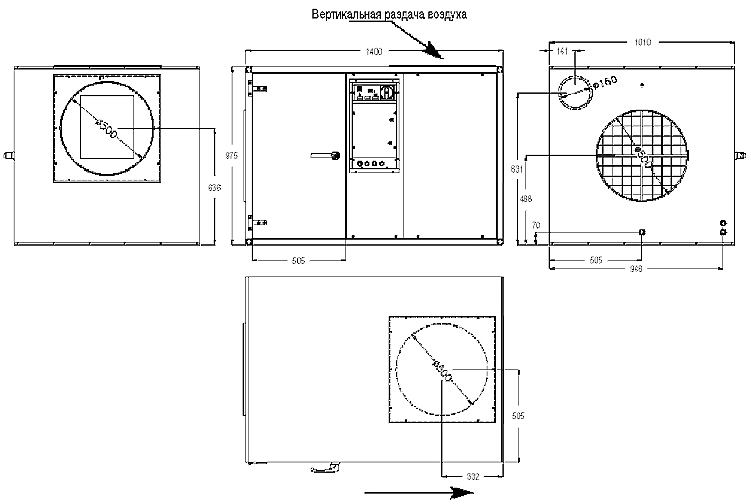
Осушители для плавательных бассейнов с подмесом свежего воздуха DANTHERM
|
Большие изображения
Стационарный осушитель воздуха CDP 75 — 1×230В
Конструктивные особенности:
Корпус из горячеоцинкованной стали с дополнительным наружным и внутренним эмалевым покрытием (сдвоенные панели с теплоизоляционным слоем толщиной 50 мм)
Сливное отверстие, расположенное на стороне забора воздуха. Дренажный патрубок для подсоединения водяного шланга диаметром 3/4″
Съемный фильтр на воздухозаборном патрубке (Ø 400 мм)
Раздача воздуха сверху или сбоку (Ø патрубка 400 мм)
Возможность установки инспекционной дверцы с противоположной стороны
Возможность подмеса свежего воздуха (Ø патрубка 160 мм)
Опциональный водоохлаждаемый конденсатор (Ø медных соединительных трубок 15 мм)
Роторный компрессор
Радиальный вентилятор
Настенный или напольный монтаж на виброизолирующие опоры (опция)
Водяной калорифер-доводчик для подогрева осушенного воздуха (опция)
Система управления:
Автоматическое поддержание требуемого уровня влажности с помощью опционального комнатного или канального гигростата. При использовании водяного калорифера-доводчика возможно подключение к агрегату внешнего комнатного термостата.
Посредством светоиндикации на дисплее панели управления отображаются следующие функциональные состояния:
Подача электропитания на осушитель
Процесс осушения — работает компрессор
Неисправность холодильного контура — осушитель автоматически отключается
Подогрев воздуха калорифером-доводчиком
На панели управления расположены кнопки включения режима осушения, подогрева воздуха и непрерывной вентиляции.
При температуре эксплуатации в пределах от 15 до 20 °С агрегат рекомендуется комплектовать датчиком испарителя для задействования режима пассивного оттаивания осушителя.
Технические характеристики:
.png)
Кривые влагосъема
.jpg)
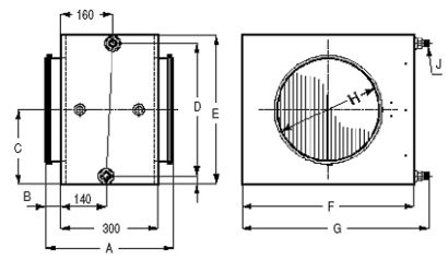
Габаритные размеры (все размеры даны в мм)
CDP75
.png)
Кронштейны для настенного монтажа (кронштейн крепится с помощью защелкивающейся гайки)
![]()
.jpg)
Виброизолирующие опоры
.jpg)
.png)
Водяной калорифер-доводчик
.jpg)
.png)
Размеры и вес калорифера (все размеры даны в мм)
Технические характеристики калорифера:
.png)
Примечание. Технические характеристики калорифера указаны для температуры воздуха в помещении 27 °С.
Стационарный осушитель воздуха CDP 75 — 1×230В с водоохлаждаемым конденсатором
Конструктивные особенности:
Корпус из горячеоцинкованной стали с дополнительным наружным и внутренним эмалевым покрытием (сдвоенные панели с теплоизоляционным слоем толщиной 50 мм)
Сливное отверстие, расположенное на стороне забора воздуха. Дренажный патрубок для подсоединения водяного шланга диаметром 3/4″
Съемный фильтр на воздухозаборном патрубке (Ø 400 мм)
Раздача воздуха сверху или сбоку (Ø патрубка 400 мм)
Возможность установки инспекционной дверцы с противоположной стороны
Возможность подмеса свежего воздуха (Ø патрубка 160 мм)
Опциональный водоохлаждаемый конденсатор (Ø медных соединительных трубок 15 мм)
Роторный компрессор
Радиальный вентилятор
Настенный или напольный монтаж на виброизолирующие опоры (опция)
Водяной калорифер-доводчик для подогрева осушенного воздуха (опция)
Система управления:
Автоматическое поддержание требуемого уровня влажности с помощью опционального комнатного или канального гигростата. При использовании водяного калорифера-доводчика возможно подключение к агрегату внешнего комнатного термостата.
Посредством светоиндикации на дисплее панели управления отображаются следующиефункциональные состояния:
Подача электропитания на осушитель
Процесс осушения — работает компрессор
Неисправность холодильного контура — осушитель автоматически отключается
Подогрев воздуха калорифером-доводчиком
На панели управления расположены кнопки включения режима осушения, подогрева воздуха и непрерывной вентиляции.
При температуре эксплуатации в пределах от 15 до 20 °С агрегат рекомендуется комплектовать датчиком испарителя для задействования режима пассивного оттаивания осушителя.
Технические характеристики:
.png)
Водоохлаждаемые конденсаторы:
.png)
* Рабочие условия:
температура хладагента на стороне низкого давления — 10 °С,
температура хладагента на стороне высокого давления — 40 °С,
температура воды — 28 °С.
Кривые влагосъема
.jpg)
Габаритные размеры (все размеры даны в мм)
CDP75
.png)
Кронштейны для настенного монтажа (кронштейн крепится с помощью защелкивающейся гайки)
![]()
.jpg)
Виброизолирующие опоры
.jpg)
.png)
Водяной калорифер-доводчик
.jpg)
.png)
Размеры и вес калорифера (все размеры даны в мм)
Технические характеристики калорифера:
.png)
Примечание. Технические характеристики калорифера указаны для температуры воздуха в помещении 27 °С.
.jpg)
Конструктивные особенности:
Корпус из горячеоцинкованной стали с дополнительным наружным и внутренним эмалевым покрытием (сдвоенные панели с теплоизоляционным слоем толщиной 50 мм)
Сливное отверстие, расположенное на стороне забора воздуха. Дренажный патрубок для подсоединения водяного шланга диаметром 3/4″
Съемный фильтр на воздухозаборном патрубке (Ø 400 мм)
Раздача воздуха сверху или сбоку (Ø патрубка 400 мм)
Возможность установки инспекционной дверцы с противоположной стороны
Возможность подмеса свежего воздуха (Ø патрубка 160 мм)
Опциональный водоохлаждаемый конденсатор (Ø медных соединительных трубок 15 мм)
Поршневой компрессор
Радиальный вентилятор
Настенный или напольный монтаж на виброизолирующие опоры (опция)
Водяной калорифер-доводчик для подогрева осушенного воздуха (опция)
Система управления:
Автоматическое поддержание требуемого уровня влажности с помощью опционального комнатного или канального гигростата. При использовании водяного калорифера-доводчика возможно подключение к агрегату внешнего комнатного термостата
Посредством светоиндикации на дисплее панели управления отображаются следующие функциональные состояния:
Подача электропитания на осушитель
Процесс осушения — работает компрессор
Неисправность холодильного контура — осушитель автоматически отключается
Подогрев воздуха калорифером-доводчиком
На панели управления расположены кнопки включения режима осушения, подогрева воздуха и непрерывной вентиляции. При температуре эксплуатации в пределах от 15 до 20 °С агрегат рекомендуется комплектовать датчиком испарителя для задействования режима пассивного оттаивания осушителя.
Технические характеристики:
.png)
.jpg)
.png)
.jpg)
.jpg)
.png)
.jpg)
.png)
Конструктивные особенности:
Корпус из горячеоцинкованной стали с дополнительным наружным и внутренним эмалевым покрытием (сдвоенные панели с теплоизоляционным слоем толщиной 50 мм)
Сливное отверстие, расположенное на стороне забора воздуха. Дренажный патрубок для подсоединения водяного шланга диаметром 3/4″
Съемный фильтр на воздухозаборном патрубке (Ø 400 мм)
Раздача воздуха сверху или сбоку (Ø патрубка 400 мм)
Возможность установки инспекционной дверцы с противоположной стороны
Возможность подмеса свежего воздуха (Ø патрубка 160 мм)
Опциональный водоохлаждаемый конденсатор (Ø медных соединительных трубок 15 мм)
Поршневой компрессор
Радиальный вентилятор
Настенный или напольный монтаж на виброизолирующие опоры (опция)
Водяной калорифер-доводчик для подогрева осушенного воздуха (опция)
Система управления:
Автоматическое поддержание требуемого уровня влажности с помощью опционального комнатного или канального гигростата. При использовании водяного калорифера-доводчика возможно подключение к агрегату внешнего комнатного термостата
Посредством светоиндикации на дисплее панели управления отображаются следующиефункциональные состояния:
Подача электропитания на осушитель
Процесс осушения — работает компрессор
Неисправность холодильного контура — осушитель автоматически отключается
Подогрев воздуха калорифером-доводчиком
На панели управления расположены кнопки включения режима осушения, подогрева воздуха и непрерывной вентиляции. При температуре эксплуатации в пределах от 15 до 20 °С агрегат рекомендуется комплектовать датчиком испарителя для задействования режима пассивного оттаивания осушителя.
Технические характеристики:
.png)
.jpg)
.png)
.jpg)
.jpg)
.png)
.jpg)
.png)
Конструктивные особенности:
Корпус из горячеоцинкованной стали с дополнительным наружным и внутренним эмалевым покрытием (сдвоенные панели с теплоизоляционным слоем толщиной 50 мм)
Сливное отверстие, расположенное на стороне забора воздуха. Дренажный патрубок для подсоединения водяного шланга диаметром 3/4″
Съемный фильтр на воздухозаборном патрубке (Ø 400 мм)
Раздача воздуха сверху или сбоку (Ø патрубка 400 мм)
Возможность установки инспекционной дверцы с противоположной стороны
Возможность подмеса свежего воздуха (Ø патрубка 160 мм)
Опциональный водоохлаждаемый конденсатор (Ø медных соединительных трубок 15 мм)
Поршневой компрессор
Радиальный вентилятор
Настенный или напольный монтаж на виброизолирующие опоры (опция)
Водяной калорифер-доводчик для подогрева осушенного воздуха (опция)
Система управления:
Автоматическое поддержание требуемого уровня влажности с помощью опционального комнатного или канального гигростата. При использовании водяного калорифера-доводчика возможно подключение к агрегату внешнего комнатного термостата
Посредством светоиндикации на дисплее панели управления отображаются следующиефункциональные состояния:
Подача электропитания на осушитель
Процесс осушения — работает компрессор
Неисправность холодильного контура — осушитель автоматически отключается
Подогрев воздуха калорифером-доводчиком
На панели управления расположены кнопки включения режима осушения, подогрева воздуха и непрерывной вентиляции. При температуре эксплуатации в пределах от 15 до 20 °С агрегат рекомендуется комплектовать датчиком испарителя для задействования режима пассивного оттаивания осушителя.
Технические характеристики:
.png)
Водоохлаждаемые конденсаторы:
.png)
* Рабочие условия:
температура хладагента на стороне низкого давления — 10 °С,
температура хладагента на стороне высокого давления — 40 °С,
температура воды — 28 °С.
.jpg)
.png)
.jpg)
.jpg)
.png)
.jpg)
.png)
Конструктивные особенности:
Корпус из горячеоцинкованной стали с дополнительным наружным и внутренним эмалевым покрытием (сдвоенные панели с теплоизоляционным слоем толщиной 50 мм)
Сливное отверстие, расположенное на стороне забора воздуха. Дренажный патрубок для подсоединения водяного шланга диаметром 3/4″
Съемный фильтр на воздухозаборном патрубке (Ø 400 мм)
Раздача воздуха сверху или сбоку (Ø патрубка 400 мм)
Возможность установки инспекционной дверцы с противоположной стороны
Возможность подмеса свежего воздуха (Ø патрубка 160 мм)
Опциональный водоохлаждаемый конденсатор (Ø медных соединительных трубок 15 мм)
Поршневой компрессор
Радиальный вентилятор
Настенный или напольный монтаж на виброизолирующие опоры (опция)
Водяной калорифер-доводчик для подогрева осушенного воздуха (опция)
Система управления:
Автоматическое поддержание требуемого уровня влажности с помощью опционального комнатного или канального гигростата. При использовании водяного калорифера-доводчика возможно подключение к агрегату внешнего комнатного термостата
Посредством светоиндикации на дисплее панели управления отображаются следующиефункциональные состояния:
Подача электропитания на осушитель
Процесс осушения — работает компрессор
Неисправность холодильного контура — осушитель автоматически отключается
Подогрев воздуха калорифером-доводчиком
На панели управления расположены кнопки включения режима осушения, подогрева воздуха и непрерывной вентиляции. При температуре эксплуатации в пределах от 15 до 20 °С агрегат рекомендуется комплектовать датчиком испарителя для задействования режима пассивного оттаивания осушителя.
Технические характеристики:
.png)
Водоохлаждаемые конденсаторы:
.png)
* Рабочие условия:
температура хладагента на стороне низкого давления — 10 °С,
температура хладагента на стороне высокого давления — 40 °С,
температура воды — 28 °С.
.jpg)
.png)
.jpg)
.jpg)
.png)
.jpg)
.png)
Конструктивные особенности:
Корпус из горячеоцинкованной стали с дополнительным наружным и внутренним эмалевым покрытием (сдвоенные панели с теплоизоляционным слоем толщиной 50 мм)
Сливное отверстие, расположенное на стороне забора воздуха. Дренажный патрубок для подсоединения водяного шланга диаметром 3/4″
Съемный фильтр на воздухозаборном патрубке (Ø 400 мм)
Раздача воздуха сверху или сбоку (Ø патрубка 400 мм)
Возможность установки инспекционной дверцы с противоположной стороны
Возможность подмеса свежего воздуха (Ø патрубка 160 мм)
Опциональный водоохлаждаемый конденсатор (Ø медных соединительных трубок 15 мм)
Поршневой компрессор
Радиальный вентилятор
Настенный или напольный монтаж на виброизолирующие опоры (опция)
Водяной калорифер-доводчик для подогрева осушенного воздуха (опция)
Система управления:
Автоматическое поддержание требуемого уровня влажности с помощью опционального комнатного или канального гигростата. При использовании водяного калорифера-доводчика возможно подключение к агрегату внешнего комнатного термостата.
Посредством светоиндикации на дисплее панели управления отображаются следующие функциональные состояния:
Подача электропитания на осушитель
Процесс осушения — работает компрессор
Неисправность холодильного контура — осушитель автоматически отключается
Подогрев воздуха калорифером-доводчиком
На панели управления расположены кнопки включения режима осушения, подогрева воздуха и непрерывной вентиляции.
При температуре эксплуатации в пределах от 15 до 20 °С агрегат рекомендуется комплектовать датчиком испарителя для задействования режима пассивного оттаивания осушителя.
Технические характеристики:
.png)
Кривые влагосъема
.jpg)
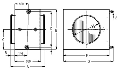
Габаритные размеры (все размеры даны в мм)
CDP 165
.png)
.jpg)
Кронштейн крепится с помощью защелкивающейся гайки
Виброизолирующие опоры
.jpg)
![]()
Водяной калорифер-доводчик
.jpg)
.png)
Размеры и вес калорифера (все размеры даны в мм)
Технические характеристики калорифера:
.png)
Примечание. Технические характеристики калорифера указаны для температуры воздуха в помещении 27 °С.
Конструктивные особенности:
Корпус из горячеоцинкованной стали с дополнительным наружным и внутренним эмалевым покрытием (сдвоенные панели с теплоизоляционным слоем толщиной 50 мм)
Сливное отверстие, расположенное на стороне забора воздуха. Дренажный патрубок для подсоединения водяного шланга диаметром 3/4″
Съемный фильтр на воздухозаборном патрубке (Ø 400 мм)
Раздача воздуха сверху или сбоку (Ø патрубка 400 мм)
Возможность установки инспекционной дверцы с противоположной стороны
Возможность подмеса свежего воздуха (Ø патрубка 160 мм)
Опциональный водоохлаждаемый конденсатор (Ø медных соединительных трубок 15 мм)
Поршневой компрессор
Радиальный вентилятор
Настенный или напольный монтаж на виброизолирующие опоры (опция)
Водяной калорифер-доводчик для подогрева осушенного воздуха (опция)
Система управления:
Автоматическое поддержание требуемого уровня влажности с помощью опционального комнатного или канального гигростата. При использовании водяного калорифера-доводчика возможно подключение к агрегату внешнего комнатного термостата.
Посредством светоиндикации на дисплее панели управления отображаются следующиефункциональные состояния:
Подача электропитания на осушитель
Процесс осушения — работает компрессор
Неисправность холодильного контура — осушитель автоматически отключается
Подогрев воздуха калорифером-доводчиком
На панели управления расположены кнопки включения режима осушения, подогрева воздуха и непрерывной вентиляции.
При температуре эксплуатации в пределах от 15 до 20 °С агрегат рекомендуется комплектовать датчиком испарителя для задействования режима пассивного оттаивания осушителя.
Технические характеристики:
.png)
Водоохлаждаемые конденсаторы:
.png)
* Рабочие условия:
температура хладагента на стороне низкого давления — 10 °С,
температура хладагента на стороне высокого давления — 40 °С,
температура воды — 28 °С.
Кривые влагосъема
.jpg)
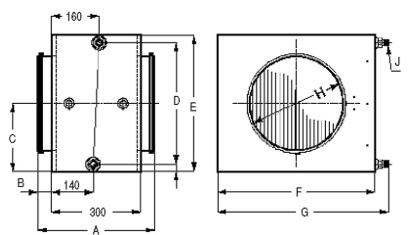
Габаритные размеры (все размеры даны в мм)
CDP 165
.png)
.jpg)
Кронштейн крепится с помощью защелкивающейся гайки
Виброизолирующие опоры
.jpg)
![]()
Водяной калорифер-доводчик
.jpg)
.png)
Размеры и вес калорифера (все размеры даны в мм)
Технические характеристики калорифера:
.png)
Примечание. Технические характеристики калорифера указаны для температуры воздуха в помещении 27 °С.